一流体加湿器 “ミストツイスターH360”
強力ファンと円周上に並んだミストノズルで大空間を強力加湿するエアレス加湿器
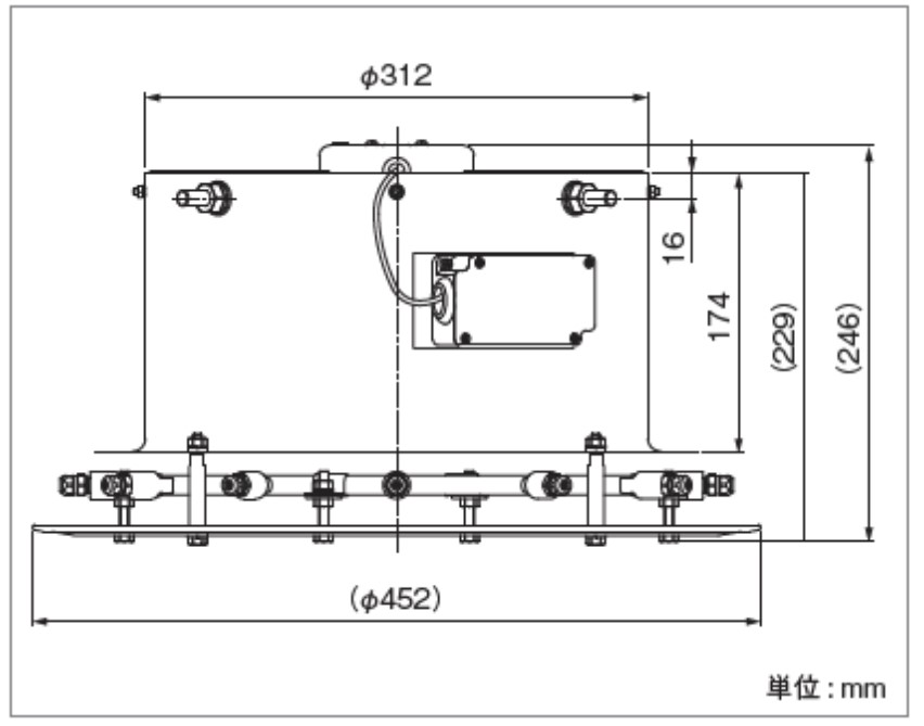
ノズル数8個または12個
噴霧量(6MPa)14.4~30.0L/h
主要材質SUS304他
電源三相200V(220V)
消費電力50Hz:57W 60Hz:200V/220V:66W/72
質量ノズル8個 7.2kg ノズル12個 7.4kg
【一流体加湿】
■コンプレッサーエアーを使用しないノズル加湿
高品位な一流体ミストノズルとファンを装備したミストツイスターが加湿器で登場。微細なミストをファンで効率的に気化し、湿気流を強力噴射します。
■省エネ加湿
従来のノズル式の加湿方法であるエアー噴霧式加湿器はコンプレッサーエアーを用いるため、電気使用量が問題視されるケースも少なくありません。一流体加湿器はエアーを使用しないランニングコストを軽減した省エネの加湿方法です。コンプレッサー方式と比較して90%以上の省エネ。
■強力加湿
ノズル1個あたり最大2.5L/hの加湿能力。微細なミストが気化し、湿度を含んだ気流をファンで遠くまで行きわたらせます。
■省力加湿
タンク給水式加湿器では数時間置きに給水が必要となることがあります。上水道からポンプに接続するだけ、煩わしい給水作業が不要となります。※ポンプは別途ご用意ください。
【H360】
● ミストノhhルを円周上に配置し360度をカバー。湿気流を広範囲に行きわたらせます。
● パワフル有圧ファンを搭載。微細なミストの気化速度を速め、サーキュレーション効果により温湿度環境を改善。
● 装着ノズルは8個と12個の2タイプ。使用環境や加湿量によりお選びいただけます。
●一方向スポット加湿タイプもあります。
■コンプレッサーエアーを使用しないノズル加湿
高品位な一流体ミストノズルとファンを装備したミストツイスターが加湿器で登場。微細なミストをファンで効率的に気化し、湿気流を強力噴射します。
■省エネ加湿
従来のノズル式の加湿方法であるエアー噴霧式加湿器はコンプレッサーエアーを用いるため、電気使用量が問題視されるケースも少なくありません。一流体加湿器はエアーを使用しないランニングコストを軽減した省エネの加湿方法です。コンプレッサー方式と比較して90%以上の省エネ。
■強力加湿
ノズル1個あたり最大2.5L/hの加湿能力。微細なミストが気化し、湿度を含んだ気流をファンで遠くまで行きわたらせます。
■省力加湿
タンク給水式加湿器では数時間置きに給水が必要となることがあります。上水道からポンプに接続するだけ、煩わしい給水作業が不要となります。※ポンプは別途ご用意ください。
【H360】
● ミストノhhルを円周上に配置し360度をカバー。湿気流を広範囲に行きわたらせます。
● パワフル有圧ファンを搭載。微細なミストの気化速度を速め、サーキュレーション効果により温湿度環境を改善。
● 装着ノズルは8個と12個の2タイプ。使用環境や加湿量によりお選びいただけます。
●一方向スポット加湿タイプもあります。
展示会出展のお知らせ
第1回九州 農業WEEK
2023年5月24日(水)~26日(金) 10:00~17:00 グランメッセ熊本
小間番号 6-69
https://www.agriexpo-week.jp/kyushu/ja-jp.html
資料ダウンロード
スプレーイングシステムスジャパン合同会社

